joshik
New member
Not sure if this is the right place to post this but I have a 12v lighting question but it can related to any general 12v circuit application I suppose.
I wanted to tap in a relay (coil) into the wiring harness of the high beam. Since it is ground switched, it would just become a part of the "highbeam circuit".
I'm wondering if the below scenario would back feed power to the battery. I don't think so, but for some reason I am racking my brain trying to make sure I get it this right. Maybe it's late and my brain is tired
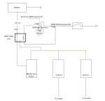
In the diagram below, do you see any issue with the circuit through the relay coil and high beam going into the switched ground when the switched ground is off?
Thanks!!

I wanted to tap in a relay (coil) into the wiring harness of the high beam. Since it is ground switched, it would just become a part of the "highbeam circuit".
I'm wondering if the below scenario would back feed power to the battery. I don't think so, but for some reason I am racking my brain trying to make sure I get it this right. Maybe it's late and my brain is tired
In the diagram below, do you see any issue with the circuit through the relay coil and high beam going into the switched ground when the switched ground is off?
Thanks!!

Last edited:

