Alloy
Well-known member
Hi TDI
Thanks for the explanation. I've added more of my $0.02.
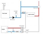
- The HW tank is a heat exchanger. What does the preheater do?
----The pre-heater is a more efficient transfer agent than the hot water heater when using glycol as the heating agent. When you are running off-grid (using hydronic coils only, it should provide more efficient overall heat transfer to the water and therefor support a higher volume of flow (better shower) and the process should take less time to reach temperature. I'll simplify if this isn't the case.
>>I've not found a need to rapid heat the HW. It takes about 45 min to bring our propane 12gal (6gal on a previous trailer) tank to 60C (140F) temp which we get 5 showers from. Once up to temp it sits for hours so I've added a layer of 1" EPDM.
>>Locating the heat exchanger on the outlet of the HW tank will make it "on demand".
- Why circulate through the expansion tank?
---- The expansion tank serves three purposes; first - heat expansion, second - keeps system air-free once bled, third - it increases the volume of glycol in the system by almost double, allowing the glycol to cool sufficiently before cycling back through the furnace. If the glycol temperature is too close to the output heat temperature of the furnace, it can trip the furnace shutdown. This is especially important when the summer loop is running and only the hot water is being heated.
>>The Espar B5WS with a low side of 1500W may be a better choice Hot water returning to the boiler means there is no demand on the system, heat (cab heaters) exchanger(s) are too small, plumbing is not sized correctly or the boiler is too big. Creating heat loss makes the system less efficient. Have you looked at a sealed system with an air trap to remove oxygen with oxygen barrier PEX
- Overflow isn't needed if the expansion tank is sized correctly.
---- You are correct. The expansion tank needs to vent. I'm using the overflow tank to maximize the volume of glycol in my small expansion tank (1.5 litres) and in the small van, I don't have room for an expansion tank outside my camper and I really don't want to smell the expansion gas which will be vented outside where the tiny overflow lives. As I tune the system, I expect some things to change a bit...
>>Expansion tank(s) with a rubber bladder.
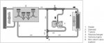
- A domestic water loop and a heating loop each controlled by a separate circulation pump is another possible layout.
---- Not sure I understand. Diagram has separate pumps for water circulation, glycol circulation, and anti-freeze circulation. Do you mean combining the glycol and water loops and just run water?
>>Separating the domestic water from the cab heating with a circ pump for each zone.
- Why the mixing valve on the sink?
---- The glycol coming out of the furnace can heat the water in the water heater up to 80°C (176°F) at steady state. The mixing valve will ensure any water coming out of either the sink or the shower is below 120°F
>>The hotter the system runs the greater the loss. For 50C running the system (if possible) at 60C is better.
- Filtering water coming out of the tanks will become an issue as the filter(s) plug up.
---- There is an external sediment filter (cleanable) preventing any water in the system having particles over 10 microns. This significantly helps the other filter's lifespan. The other filters handle smaller particles, carbon, and metals. I also have an optional ultraviolet filter for microbes for use in foreign countries. The system was built to ensure purified water from the shower or sink. I built the van for a Patagonia trip and water will be an issue in many of the countries, even when showering as I will be filling my tanks sometimes from rivers and lakes.
>>A FW pump is 40-60psi. The pressure drop through the filters gets to be an issue, especially for showers. We filter the water going into the tanks to 1 micron then add Pruorgen. This keeps the sediment (I've removed tanks with a crud build up on the bottom) out of the tank. Our tanks are slopped to a 3/4" bottom drain so no water left in the tanks.
- How many watts will the system draw with the engine off?
---- Furnace at 37 watts high (should only run a short time at this speed) and 12 watts on low. Each pump is 16 watts and the fans connected to the cabin heaters run 1.8 watts each. I have 200 watts of solar and 300 aH of house batteries to get me through...
>>Those are great numbers for the cabin heaters. Something with 2 speeds may recover the heat faster after the van doors are open.
- Will FW tank heating be needed?
---- Mine will be in the main heated cabin so I just need to ensure that the interior does not freeze. I'm a bit concerned about my diesel fuel in really low
>>Will the Espar run on Kerosene or a mix of?
Thanks for the explanation. I've added more of my $0.02.
- The HW tank is a heat exchanger. What does the preheater do?
----The pre-heater is a more efficient transfer agent than the hot water heater when using glycol as the heating agent. When you are running off-grid (using hydronic coils only, it should provide more efficient overall heat transfer to the water and therefor support a higher volume of flow (better shower) and the process should take less time to reach temperature. I'll simplify if this isn't the case.
>>I've not found a need to rapid heat the HW. It takes about 45 min to bring our propane 12gal (6gal on a previous trailer) tank to 60C (140F) temp which we get 5 showers from. Once up to temp it sits for hours so I've added a layer of 1" EPDM.
>>Locating the heat exchanger on the outlet of the HW tank will make it "on demand".
- Why circulate through the expansion tank?
---- The expansion tank serves three purposes; first - heat expansion, second - keeps system air-free once bled, third - it increases the volume of glycol in the system by almost double, allowing the glycol to cool sufficiently before cycling back through the furnace. If the glycol temperature is too close to the output heat temperature of the furnace, it can trip the furnace shutdown. This is especially important when the summer loop is running and only the hot water is being heated.
>>The Espar B5WS with a low side of 1500W may be a better choice Hot water returning to the boiler means there is no demand on the system, heat (cab heaters) exchanger(s) are too small, plumbing is not sized correctly or the boiler is too big. Creating heat loss makes the system less efficient. Have you looked at a sealed system with an air trap to remove oxygen with oxygen barrier PEX
- Overflow isn't needed if the expansion tank is sized correctly.
---- You are correct. The expansion tank needs to vent. I'm using the overflow tank to maximize the volume of glycol in my small expansion tank (1.5 litres) and in the small van, I don't have room for an expansion tank outside my camper and I really don't want to smell the expansion gas which will be vented outside where the tiny overflow lives. As I tune the system, I expect some things to change a bit...
>>Expansion tank(s) with a rubber bladder.
- A domestic water loop and a heating loop each controlled by a separate circulation pump is another possible layout.
---- Not sure I understand. Diagram has separate pumps for water circulation, glycol circulation, and anti-freeze circulation. Do you mean combining the glycol and water loops and just run water?
>>Separating the domestic water from the cab heating with a circ pump for each zone.
- Why the mixing valve on the sink?
---- The glycol coming out of the furnace can heat the water in the water heater up to 80°C (176°F) at steady state. The mixing valve will ensure any water coming out of either the sink or the shower is below 120°F
>>The hotter the system runs the greater the loss. For 50C running the system (if possible) at 60C is better.
- Filtering water coming out of the tanks will become an issue as the filter(s) plug up.
---- There is an external sediment filter (cleanable) preventing any water in the system having particles over 10 microns. This significantly helps the other filter's lifespan. The other filters handle smaller particles, carbon, and metals. I also have an optional ultraviolet filter for microbes for use in foreign countries. The system was built to ensure purified water from the shower or sink. I built the van for a Patagonia trip and water will be an issue in many of the countries, even when showering as I will be filling my tanks sometimes from rivers and lakes.
>>A FW pump is 40-60psi. The pressure drop through the filters gets to be an issue, especially for showers. We filter the water going into the tanks to 1 micron then add Pruorgen. This keeps the sediment (I've removed tanks with a crud build up on the bottom) out of the tank. Our tanks are slopped to a 3/4" bottom drain so no water left in the tanks.
- How many watts will the system draw with the engine off?
---- Furnace at 37 watts high (should only run a short time at this speed) and 12 watts on low. Each pump is 16 watts and the fans connected to the cabin heaters run 1.8 watts each. I have 200 watts of solar and 300 aH of house batteries to get me through...
>>Those are great numbers for the cabin heaters. Something with 2 speeds may recover the heat faster after the van doors are open.
- Will FW tank heating be needed?
---- Mine will be in the main heated cabin so I just need to ensure that the interior does not freeze. I'm a bit concerned about my diesel fuel in really low
>>Will the Espar run on Kerosene or a mix of?












