The solar panels I found were from
http://www.recycledgoods.com/produc...exible-cigs-solar-panel-with-adhesive-rv-boat . The link to the panels' specs is here
http://www.globalsolar.com/downloads/PowerFLEX_2.pdf . I found these after doing some research on the portal. I was kind of under the impression that they were American made, but it turns out they are from Europe somewhere. Nice panels though. Seem to be rugged enough. I think they will hold up and meet my needs. I haven't been able to hook anything up to them since I haven't started on my cabin's wiring yet. Too busy re-working the truck's accessory wiring. The previous owner did an alright job on some of the other accessories, but the fuses were in the wrong spot and there was a lot of unnecessary things from the original CUCV wiring. Plus I needed to clean everything up since I have a million gadgets and switches.

Here is some of the stuff that I found squirreled away under the floormat. Now it is a clean set of 12 conductor cable and my 6awg wire to the Bluesea DC breaker/switch panel.

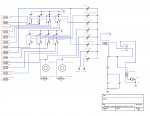
I made a wiring diagram with an awesome free program that I found on the internet a few months ago called "TinyCAD". Its pretty great for doing simple wiring diagrams. I'll put all these diagrams and manuals from everything that goes into the truck into a binder as well as on my google drive. That way when I have an issue on the road I can look at the manual for what ever accessory.
I ordered the part to fix the oil filter snafu from a GM dealer. I forked out the cash to overnight it and talked to guy and it was supposed to be here Wednesday, then it was supposed to be here Friday. I finally got a fedex tracking number and it's going to show up Monday. Not much a guy can do about parts like that. It just reminds me how difficult it is to find good help these days.... I could have saved 30 bucks on a 8 dollar part if I would have used a different dealer... Oh well I guess.
I finally got my latches for the generator compartment on the roof rack. So that's mostly buttoned up. It pops up and the door stays open where you can can turn it on and pull start it. Also there is a door that opens up for the exhaust. I will need to put a cable lock or something on it. I also might put some kind of locking latch, but this will work for now. I have some rubber belting material that I will rivet onto the door to go over the hinges to clean it up and look better.
I've got the stereo installed very important

, but all of the speakers were hooked up backwards so I wasn't getting any audio. Everything else worked great, it just wasn't making any sound. I find it funny to buy an Alpine stereo and speakers and hook it up with the matching colors and stripes to find out it is completely backwards. So I get to re-crimp and heat shrink all of it over again... I just twisted the wires together real quick while I was trouble shooting the issue and it is sounding pretty good. I bolted some Versa pods next to the rear seats on each side of the driver and passenger where the spare tire jack was on one side and what I assume used to be a gun rack mount on the passenger side. I probably should have found a different spot so I could fit a gun rack back in there, but my elk rifle won't fit so its just as well. I put some versa pods under the center console as well to store the front speakers. It should work out pretty good and minimize a little bit of the wire running around. Tomorrow I will finish cleaning up the rigid flood lights and also the kc hilites that came with the truck. The hilites were on a relay, but I will clean that wiring up and use some good bosch relays vs. whatever comes with them. This will also eliminate some more unprotected (fusing wise) wires coming in and out of the cab of the pickup from the engine compartment. I've first hand experienced my old car almost catch on fire from unprotected electrical wire. Not cool... I will get the winch and air compressor installed this week before I head out Friday on a trip to visit some friends and family. It will give me a good chance to try out the air locker and the 37's out in the sticks. Hopefully I don't have to try out the winch, but that's what its there for! I won't be doing much camping out of it, mainly just seeing how things are working mechanically. Right now my main concern is the tires/wheels working and staying balanced. If that combo doesn't work out the backup plan is to find some 17" H2 wheels and get some 37" cooper SST's. They are a bit softer rubber and I have had good luck with them. I'm going to help a friend move, so its nice to have a bunch of dry space this time of year. No tarps!