aux lights and daytime running lights

MOguy

Explorer
I'm in the province of British Columbia:




This is from the motor vehicle act, section 4.09. I can't link to the section directly but you can find it here through the browser search function. I believe lots of the states have a similar provision.

here is the link; http://www.bclaws.ca/civix/document/id/complete/statreg/26_58_01

Auxiliary driving lamps
4.09
(1) A motor vehicle may be equipped with 2 auxiliary driving lamps, mounted on the front of the vehicle at a height of not less than 40 cm and not more than 1.06 m, that are capable of displaying only white light.

(2) An auxiliary driving lamp must be directed so that the high intensity portion of the beam is, at a distance of 8 m from the lamp, at least 12 cm below the height of the lamp and, at a distance of 25 m from the lamp, not higher than 1.06 m from the road surface.

(3) An auxiliary driving lamp must operate so that it is illuminated only when the upper beam of a multiple beam headlamp is illuminated.

Off-road lamps
4.25
Despite section 4.04 (2) (c), a vehicle equipped with off-road lamps when on a highway must have the off-road lamps concealed with opaque covers.
 

trae

Adventurer
I'm in the province of British Columbia:




This is from the motor vehicle act, section 4.09. I can't link to the section directly but you can find it here through the browser search function. I believe lots of the states have a similar provision.

here is the link; http://www.bclaws.ca/civix/document/id/complete/statreg/26_58_01

Auxiliary driving lamps
4.09
(1) A motor vehicle may be equipped with 2 auxiliary driving lamps, mounted on the front of the vehicle at a height of not less than 40 cm and not more than 1.06 m, that are capable of displaying only white light.

(2) An auxiliary driving lamp must be directed so that the high intensity portion of the beam is, at a distance of 8 m from the lamp, at least 12 cm below the height of the lamp and, at a distance of 25 m from the lamp, not higher than 1.06 m from the road surface.

(3) An auxiliary driving lamp must operate so that it is illuminated only when the upper beam of a multiple beam headlamp is illuminated.

Off-road lamps
4.25
Despite section 4.04 (2) (c), a vehicle equipped with off-road lamps when on a highway must have the off-road lamps concealed with opaque covers.


That’s the one. I’m trying to obey the spirit and the letter by having the lights wired through the high beam switch only.


Sent from my iPhone using Tapatalk
 

Betarocker

Adventurer
That's the setup I have right now. Unfortunately the trigger for the relay is difficult to find. Nissan is tricky with their DRL wiring.

When I helped wire my brother's 4Runner, we just used the Scotchlok connectors on the wire for the high beam right at the bulb socket. I tried to tell him those connectors suck and we should solder the wires together and shrink wrap the connection. A year later we did that.

With my trucks I find the wires inside the cab and do the connections under the dash. A test light, some detective skills and some patience will isolate it. Modern-ish vehicles use different colour insulation for most applications. If you can figure out what colour the high beam wire is are the lamp socket (eg. mainly white with orange stripe), it usually goes to the fuse box where all the relays are. Test the wire when you find the same colour one with the test lamp. Attaching a sewing needle to the test probe tip make it easy to poke through the wire's insulation; just make sure you have a good connection.
Marker lights I usually tap in after popping out the main light switch to see which wire is suitable.
 

Buliwyf

Viking with a Hammer
In Ohio you can have only four lights, so we're all illegal. Rear lights on in reverse only. I suppose with just my ditch lights, I'm legal.
 

Betarocker

Adventurer
In BC, additional to the factory supplied headlights (single or dual units per side), an additional set of driving beam lamps AND a set of foul weather lamps (factory installed or aftermarket) are allowed.

_HAO4086-X2.jpg


Above the bumper from the outside to center, HID retrofit bulbs in the OEM housing (will replace with Projectors), HID bulbs in driving lamps, 85w halogen in amber spot lamps, both sets relayed with triggers from hi beams, but each pair can be separately switched off. The OEM lamps in the bumper have LED bulbs.
 

trae

Adventurer
In BC, additional to the factory supplied headlights (single or dual units per side), an additional set of driving beam lamps AND a set of foul weather lamps (factory installed or aftermarket) are allowed.

_HAO4086-X2.jpg


Above the bumper from the outside to center, HID retrofit bulbs in the OEM housing (will replace with Projectors), HID bulbs in driving lamps, 85w halogen in amber spot lamps, both sets relayed with triggers from hi beams, but each pair can be separately switched off. The OEM lamps in the bumper have LED bulbs.

How did you deal with daytime running lights? In my Nissan high beams are always on at a fraction of total power to enable drl function.


Sent from my iPhone using Tapatalk
 

Betarocker

Adventurer
I went into the Body Control Module with specific software and Set them to my fog lamps. this for the truck in the picture.

With my 04, I just unplugged the resistor.

I don't know how the Nissan controls the DRLs.
 

sargeek

Adventurer
I think the problem the poster has is that when the head lights are off, the DRL are on. A lot of vehicles use the high beam as the DRL, but supply the headlight with reduces voltage to "dim" the light and make it last longer. It was/is pretty common/easy to tap the +12vdc going to the high beam and use it for the trigger wire on the realay for the auxilary light after running it through a switch to interrupt the circuit. In most cases, the DRL voltage would be enough to trigger the realy if the switch was left on.

It is also a "best practice" to connect your forward facing auxilary lights to the high beam circuit of the car so that you have a quick and simple way of dimming all the lights in a quick manner when you have oncoming traffic. Nothing is worse then being blinded by a oncoming truck while they fumble for the switches to turn off the auxilary lighting. Their are occasions when I would like my auxilary lights on without the headlights, so I use a DPST swtich ON-OFF-ON w/ BRIGHTS.

There are a bunch of other radom laws on the books, but if people use some common sense and courtesy it would go a long way.

As for a great trigger for the lights, you will have to dig deep with a volt meter and a wireing diagram to find one.
 

trae

Adventurer
I went into the Body Control Module with specific software and Set them to my fog lamps. this for the truck in the picture.

With my 04, I just unplugged the resistor.

I don't know how the Nissan controls the DRLs.

Interesting. Do you mean you unplugged the fuse? There's a fuse for the DRL circuit, but I dont want to disable DRL completely. I looked at reprogramming BCM options, it doesn't look like it's possible on my vehicle. Neat trick though!


I think the problem the poster has is that when the head lights are off, the DRL are on. A lot of vehicles use the high beam as the DRL, but supply the headlight with reduces voltage to "dim" the light and make it last longer. It was/is pretty common/easy to tap the +12vdc going to the high beam and use it for the trigger wire on the realay for the auxilary light after running it through a switch to interrupt the circuit. In most cases, the DRL voltage would be enough to trigger the realy if the switch was left on.

It is also a "best practice" to connect your forward facing auxilary lights to the high beam circuit of the car so that you have a quick and simple way of dimming all the lights in a quick manner when you have oncoming traffic. Nothing is worse then being blinded by a oncoming truck while they fumble for the switches to turn off the auxilary lighting. Their are occasions when I would like my auxilary lights on without the headlights, so I use a DPST swtich ON-OFF-ON w/ BRIGHTS.

There are a bunch of other radom laws on the books, but if people use some common sense and courtesy it would go a long way.

As for a great trigger for the lights, you will have to dig deep with a volt meter and a wireing diagram to find one.


Bingo!

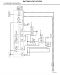
My lights have 3 positions: off, marker lights and headlights on.

For "off" and "marker", the DRL circuit is energized and it puts the highbeams in series thus halving the amount of current high beams get and making them dimmer.

For the "headlights on" position, only the "low beams" are on, with the highbeams being off.

I attached my aux lights to the highbeam circuit. This means that as soon as I start the engine, they come on, because the DRL circuit is energized. They only go off when I turn my beams to "on". Then I can control the aux lights with the pull back of the stalk.

I tried to make sense of the wiring, to see if I can get at the signal for when the stalk is actually pulled back/forward but I can't figure out. I get the sense that it's only communicated between the stalk and the BCM.

Maybe someone else can make sense of this?
 

Attachments

  • Screen Shot 2018-09-18 at 11.25.13 AM.png
    Screen Shot 2018-09-18 at 11.25.13 AM.png
    311.6 KB · Views: 16

Betarocker

Adventurer
Interesting. Do you mean you unplugged the fuse? There's a fuse for the DRL circuit, but I dont want to disable DRL completely. I looked at reprogramming BCM options, it doesn't look like it's possible on my vehicle. Neat trick though!

No, with the Fords of that era, there was a large ceramic resistor under the hood by the driver's side headlight. Unplugging that disabled the DRLs. In order to reduce the light output, you either need to lower the voltage by way of a transformer, or resist the flow of electrons.

From reading on the interwebz from a Google of the DRLs for your vehicle, pulling fuse #45 will disable the DRLs without any other disruptions. If you want to use DRLs from an other light source than the headlight , just find a trigger circuit somewhere within the vehicle that gets activated when needed (parking brake, transmission, etc) and add aftermarket lamps. There are 1000's of cheap LEDs out now. From looking at the diagram, it seems that the way the diimmer lights work is by backfeeding the lamps.
 
Last edited:

sargeek

Adventurer
So my guess is that you are going to have to dig into the wires from the steering column and look for a the wire coming from the actual high beam switch. This feed should be able to provide enough power to trigger the normal high beam relay and the auxiliary light relay. I guess the other alternative is to find the wire from the CPU that triggers the high beam relays, tap it, run a wire to the aux light relay with a switch.
 

J!m

Active member
I looked here to see what’s out there these days for lighting as I’ve been out of the scene for a while.

But for what it’s worth, here’s how I did some of my wiring.

In my BMW the factory fog lights are wired such that even with the switch pulled out, they only light if the clearance/parking lights are on,and/or the low beams are on. If the high beams are on, or the headlight switch is off, the fog lights also turn off.

Ok, so what does that have to do with anything? Well, I liked the idea of not leaving my fogs on inadvertently and draining my battery. So, like the Bimmer, at least the parking lights must be on for the fogs to work. Difference is they can be on with the high beams if I want.

Another thing I learned on the dusty tracks of North West Africa, is you need a rear convoy light. The defender is typically set up with a clear back up light on one side and a red rear fog on the other. I converted the fog to a second reverse light and added a third fog light up on the roof, above the side window. When the dust is thick, the low fog is useless. Up high, you can see it much better. I e had a few comments about it over the years when I use it...

I had thought about a relay with the brake lights to have it also a third brake light but never did it.

I strongly suggest a high fog (convoy light) if you explore with other trucks on dusty tracks.
 

colodak

Adventurer
In Ohio you can have only four lights, so we're all illegal. Rear lights on in reverse only. I suppose with just my ditch lights, I'm legal.
But, how often is this actually enforced? Maybe for instate, but not out of state. Years back, on my Dakota, I had multiple sets of lights, when we'd drive back to visit my family in Youngstown, I never had an issue with Ohio cops, maybe it was the Colorado plates.
 

Buliwyf

Viking with a Hammer
If you're speeding, but hit the brakes at the same moment the trooper spots you in his sights, it'll matter then.
 

ventura911

Adventurer
It often comes down to how the driver is acting. Several years ago, a partner of mine was on patrol and driving up a canyon road when a raised F-series approached and failed to dim his high beams. The deputy flashed his own high beams in the standard signal to check your lights. The pickup driver, however, chose to not only keep his brights on, but to turn on all of his “for-off-road-use-only” lights, as well. My partner interpreted this signal as a request to pull over and chat, so he activated all of his lights and, utilizing the written word (in triplicate), taught the pickup driver that courtesy on the road is still a thing and that red-and-blue LED’s trumped the guy’s cheap, imported, RIGID knock-offs.
 

Forum statistics

Threads
190,672
Messages
2,930,430
Members
234,353
Latest member
Dawid.alex
Top